
První díl návodu pro sestavu klikového mechanizmu se zabývá modelováním pístu. V dalších dílech budeme postupně modelovat pístní čep, klikovou hřídel, ojnici a pístní kroužky. V tomto příspěvku jsou uváděny rozměry dle přiložené výkresové dokumentace.
Následující obrázek zobrazuje hotový model pístu v řezu a v plném náhledu.
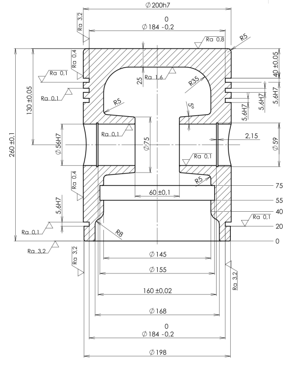
Výkres pístu se všemi náležitostmi obsahuje rozměrový kóty včetně rozměrových a tvarových odchylek. Dále pak obsahuje značky drsností.
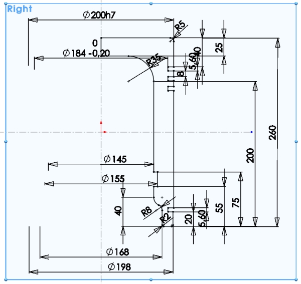
Detailní pohled na rozměry pístu.
Nakreslete v Pravé rovině náčrt dle obrázku nebo podle výkresu pístu.
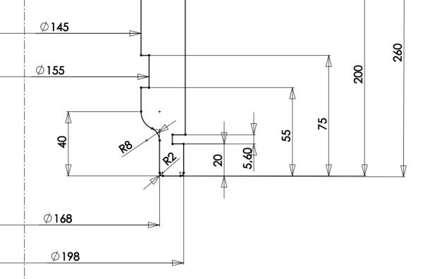
Rozměry vrchní části pístu s drážkami pro pístní kroužky.
Spodní část pístu s drážkou pro vodící kroužek.
Nechte náčrt orotovat kolem svislé osy.
Vytvořte novou referenční rovinu ve vzdálenosti 30 mm od Pravé roviny. Směr odsazení nové roviny zadejte vpravo.
V nové referenční rovině založte skicu a načrtněte kružnici o průměru 75 mm. Její střed leží v počátku souřadného systému.
Náčrt vysuňte s definicí Po plochu. Nechtě sloučit výsledky a nastavte úkos vně na hodnotu 5 °.
Načrtněte další skicu v nové rovině nebo rovinu náčrtu definujte označením vysunuté plochy. Načrtněte kružnici o průměru 56H7 mm.
Odeberte kružnicí vše.
V rovině Přední načrtněte skicu podle obrázku. Odebereme rotací drážku pro pojistný kroužek, který brání vysunutí pístní čepu z hlavy pístu.
Odeberte rotací náčrt.
Nyní zrcadlete přechozí tři operace — vysunutí uložení pístního čepu, odebrání otvoru pro pístní čep a drážku pro pojistný kroužek. Rovinou zrcadlení je rovina Pravá.
Zaoblete přechody mezi uložením pístního čepu a hlavou pístu tak, jak je uvedeno na obrázku. Poloměry zaoblení jsou 5 mm. Překontrolujte náhled a potvrďte příkaz.
Dále zaoblete tři hrany dle obrázku. Poloměry zaoblení jsou 2 mm. Pro názornost je model pístu zobrazen v řezu.
Nyní je model pístu hotový. Překontrolujte svůj model s modelem v řezu a s modelem v plném zobrazení.
Nejpřesnější kontrolu provedete pomocí materiálových a fyzikálních vlastností. Definujte modelu materiál hliníkové slitiny 1060. Jestliže jste postupovali správně, pak vám pro hustotu materiálu 2700 kg/m3 aplikace spočítá hmotnost, která je pro tento model 11,06 kg, přičemž objem materiálu je 4 097 603 mm3. Těžiště v ose Y leží od počátku ve vzdálenosti 19,45 mm.
Vytvořte výkres pístu dle přiloženého obrázku.




















Komentáře k článku (0)
Přidávat komentáře k článku mohou pouze přihlášení uživatelé.
Chcete-li okomentovat tento článek, přihlaste se nebo se zaregistrujte.