
Jeden z hřídelů v převodovém ústrojí se nazývá předlohový. Jak na konstrukční návrh hřídele včetně výkresové dokumentace se dozvíte v následujícím příspěvku.
V rovině Přední proveďte náčrt hřídele. Rozměry hřídele se vztahují pro konkrétní typ převodové skříně a vycházejí především z pevnostního návrhu, vstupních otáček a výkonu.
Pomocí prvku Přidání rotací orotujte náčrt kolem vodorovné osy.
Prvkem Zkosit proveďte technologické úpravy dle uvedeného náhledového obrázku.
Ve výběhu závitu zaoblete ostrou hranu na poloměr sedmdesát pět setin milimetru.
Přejděte do záložky Referenční geometrie a vyberte příkaz Rovina.
Pro definici nové roviny vyberte ze stromové historie Horní rovinu a dále označte válcovou plochu, ke které bude nová rovina tečná.
V nové rovině založte náčrt a nakreslete pomocí příkazu Drážka drážku pro pero dle uvedených rozměrů.
Odeberte drážku pro pero do vzdálenosti čtyři a sedm desetin milimetru prvkem Odebrat vysunutím. Tento rozměr vychází z normalizovaných rozměrů pro těsné pero a tyto rozměry jsou uvedeny ve Strojnických tabulkách.
Dále vytvořte novou referenční geometrii jako v předchozím případě. Nová rovina však bude tečná k ploše určené pro našroubování KM matice.
V nové rovině založte náčrt a nakreslete drážku pro MB podložku.
Odeberte drážku do vzdálenosti dva a půl milimetru prvkem Odebrat vysunutím.
Zaoblete hranu mezi dříkem a zjednodušeným pastorkem ozubeného kola se šikmými zuby.
Zkoste hrany prkem Zkosit. Hrany zkoste rozměrem tři milimetry pod úkosem třiceti stupňů. Pomocí pole Obrátit směr správně orientujte směr úkosu pro každou hranu zvlášť.
Model předlohového hřídele se zjednodušeným pastorkem je hotov. Model je zjednodušený z toho důvodu, že se zuby nezobrazují ve výkresové dokumentaci. Ve výkresové dokumentaci se zobrazují zuby v řezu.
Renderovaný snímek hřídele.
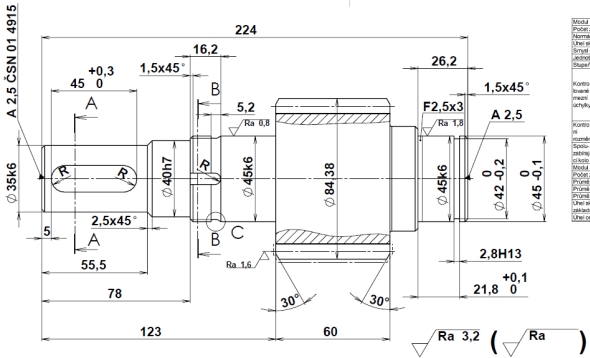
Konstrukční výkres hřídele včetně tabulky pro definici ozubení, řezů a detailního pohledu na výběh závitu pro KM matici.
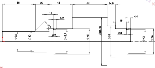
Rozměry hřídele.
Řezy se vedou místy, kde jsou drážky pro pero nebo MB podložku. Detailní pohled na výběh závitu.
Vyplněná tabulka pro definici ozubení.
Tabulku je možné nejdříve navrhnout v prostředí Microsoft Excel a jednoduše pomocí klávesových zkratek Ctrl + C a Ctrl + V vložit do prostředí výkresu v aplikaci SolidWorks.
Vyplněné popisové pole.
Řez sestavou uložení hřídele.






















Komentáře k článku (0)
Přidávat komentáře k článku mohou pouze přihlášení uživatelé.
Chcete-li okomentovat tento článek, přihlaste se nebo se zaregistrujte.