
Konstrukčních návrhů šachových figurek je celá řada. Inspirujte se a vymodelujte si postupně celou šachovnici s šachovými figurkami.
První díl se věnuje modelování figurek pěšce a věže.
Pěšec
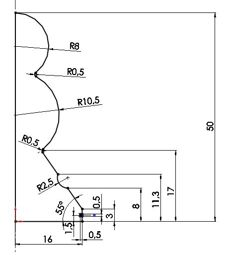
Vymodelovat model pěšce je poměrně jednoduchou záležitost. Model vznikne rotací profilu kolem osy, nakresleného v rovině Přední. Při tvorbě skici dodržujte tečnou návaznost mezi oblouky pomocí tečné vazby.
Věnujte pozornost tvorbě skici dolní části figurky. Ta bude použita při modelování ostatních figurek.
Nyní vytvořte model z profilu součásti rotací kolem osy pomocí příkazu Přidání rotací.
Model pěšce je hotov.
Věž
Otevřete model pěšce a uložte jej jako nový dokument s názvem věž.sldprt. Klikněte pravým tlačítkem ve stromové struktuře na vytvořenou operaci Rotovat a klikněte na příkaz Upravit prvek.
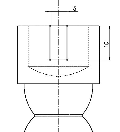
Vymažte vrchní část skici tak, jak je uvedeno na obrázku.
Dokreslete a zakótujte vrchní část skici tak, aby vystihovala profil věže.
Dokončete operaci stisknutím zelené šipky v pravé horní části modelovacího prostředí.
Změňte styl zobrazení příkazem Skryté hrany viditelné.
Vytvořte skicu v rovině Přední a nakreslete profil pro odebrání obdélníkové části.
Příkazem Odebrat vysunutím odeberte nakreslený profil.
Nyní je odebráno jedno vybrání horní části věže.
Zobrazte pomocné osy pro tyto účely určeným příkazem.
Příkazem Kruhové pole odeberte zbývající vybraní vrchní části věže.

Model věže je hotov.


V následujícím díle, tipů a návodů pro SolidWorks vymodelujeme figurky střelce a koně.

Komentáře k článku (0)
Přidávat komentáře k článku mohou pouze přihlášení uživatelé.
Chcete-li okomentovat tento článek, přihlaste se nebo se zaregistrujte.