
Ve druhém dílu modelování cvičného příkladu si ukážeme postup skicování a využití sdílené skici. Tento princip se v praxi velmi často používá a prostřednictvím sdílené skici lze vytvořit libovolný počet prvků. Podívejte se na postup skicování a modelování krok za krokem.
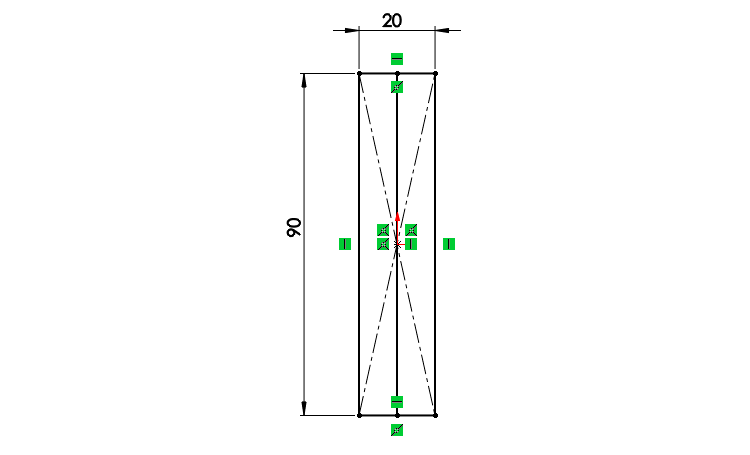
Před začátkem tvorby modelu se podívejte na zadání (výkres).
Vytvořte si nový dokument Díl.

Klávesovou zkratkou Ctrl + S vyvolejte okno Uložit jako. Do složky C:\Mujsolidworks.cz\cviceni (1) uložte soubor pod názvem 20200610.SLDPRT (2). Do pole Popis uveďte text CVIČENÍ. Dokončete uložení dokumentu tlačítkem Uložit.

Vyberte rovinu Horní a z kontextového panelu nástrojů vyberte příkaz Načrtnout skicu.

Stiskněte tlačítko S, kterým vyvoláte Panel zkratek a vyberte příkaz Obdélník s počátkem ve středu.

Umístěte kurzor do počátku tak, aby by se zobrazil symbol vazby Sjednocená ve žlutém poli. Levým tlačítkem potvrďte umístění středu obdélníku.

Tažením a kliknutím umístěte roh obdélníku.

Horním gestem myši, stiskněte v grafické ploše pravé tlačítko a táhněte směrem nahoru, vyberte příkaz Inteligentní kóta.

Vyberte horní vodorovnou stranu obdélníku…

… a levým kliknutím umístěte kótu.

V okně Upravit změňte hodnotu kóta na 20 mm a potvrďte potvrzovacím tlačítkem.

U kurzoru myši je stále symbol kóty, tzn., že můžete dále kótovat, aniž byste museli příkaz vybrat znovu. Opakujte postup kótování pro kótu 90 mm, která určuje výšku obdélníku. Uložte si dokument (Ctrl + C).

Levým gestem myši, stiskněte v grafické ploše pravé tlačítko a táhněte směrem doleva, vyberte příkaz Přímka.

Umístěte kurzor do středu horní strany obdélníku tak, aby se zobrazila vazba Středový bod ve žlutém poli. Levým tlačítkem potvrďte počáteční bod přímky.

Pokračujte ve skicování přímky a umístěte koncový bod přímky do středového bodu spodní strany obdélníku. Sledujte opět vazby ve žlutém poli (vazby Středový bod a Svislá).

Zkontrolujte vizuálně stav skici a ve spodní liště vpravo se můžete přesvědčit, že je skica plně určená.

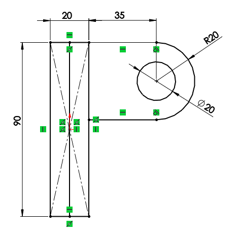
Levým gestem myši nebo z Panelu zkratek (klávesa S) vyberte příkaz Přímka. Umístěte počáteční bod přímky do pravého rohu obdélníku.

Pokračujte skicováním vodorovné přímky tak, aby se vytvořila vazba Vodorovná (musí být ve žlutém poli). Koncový bod umístěte v libovolné vzdálenosti.

Stiskněte klávesu A, které změníte skicování přímky v oblouk. Naskicujte oblouk tak, aby koncový bod oblouku ležel svisle pod počátečním bodem (oblouk s úhlem 180°).

Pokračujte ve skicování vodorovné přímky a její koncový bod umístěte na svislou stranu obdélníku. Opět sledujte pečlivě vytváření vazeb (Sjednocená, Vodorovná a Tečná). Uložte si dokument (Ctrl + C).

Skicu zakótujeme. Horním gestem myši vyberte příkaz Inteligentní kóta a vyberte oblouk. Umístěte kótu a zadejte poloměr oblouku 20 mm.

Pokračujte v kótování. Vyberte pravou svislou stranu obdélníku,…

… vyberte střed oblouku a…

… umístěte vodorovnou kótu s hodnotou 35 mm.

Pravým gestem myši vyberte příkaz Kružnice.

Umístěte střed kružnice do středu oblouku.

Tažením a kliknutím určete průměr kružnice.

Příkazem Inteligentní kóta zakótujte průměr kružnice 20 mm.

Levým gestem myši vyberte příkaz Přímka. Počátek přímky umístěte do pravého spodního rohu obdélníku.

Koncový bod přímky umístěte na oblouk tak, aby se vytvořily vazby Sjednocená a Tečná.

Skica je plně určená a připravená k tvorbě prvků.

Uložte si dokument (Ctrl + C). Pokračujte v modelování podle třetího dílu návodu krok za krokem.

Komentáře k článku (0)
Přidávat komentáře k článku mohou pouze přihlášení uživatelé.
Chcete-li okomentovat tento článek, přihlaste se nebo se zaregistrujte.