
Příruba je zesílený okraj trubky nebo jiné součásti, který je určený pro spojení s jinou součástí. Jste-li začínající uživatel SOLIDWORKSu, tento návod je určený právě pro vás.
Model příruby je vhodný pro začínající uživatele nebo pro uživatele, kteří již mají základní znalosti modelování. V tomto návodu se naučíte číst výkresovou dokumentaci a konstruovat model příruby podle zadaných hodnot.
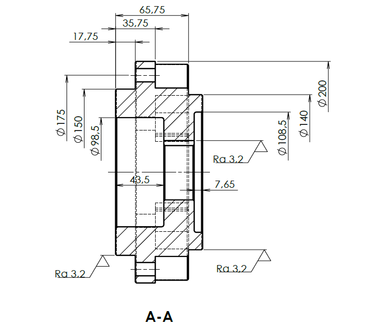
Zadání výkresu a rozměry příruby
Pohled na celý výkres:

Přední pohled:

Pohled v řezu A-A:

Horní pohled:

Izometrický pohled na model příruby:

Postup si klidně můžete vyzkoušet sami. Pokud si nebudete vědět rady, postupujte podle našeho návodu, který obsahuje komentáře krok za krokem.

Komentáře k článku (0)
Přidávat komentáře k článku mohou pouze přihlášení uživatelé.
Chcete-li okomentovat tento článek, přihlaste se nebo se zaregistrujte.